PI普爱 P-010.20H PICA穿环促动器
PI普爱 P-010.20H PICA穿环促动器
带内孔的高负载压电陶瓷促动器


- 高负载能力
- 超高可靠性:>109 次循环
- 微秒级响应
- 亚纳米级分辨率
- 多种设计选择
产品描述
堆叠型压电陶瓷线性促动器
工作电压为0至1000伏。使用寿命长,无降额。特定位移大。机械预载可通过内孔施加
可用选项
- 应变片传感器可实现位置稳定性
- 压电陶瓷材料
- 工作电压范围,位移,层厚度
- 负载能力,力量生成
- 几何形状:圆形、矩形、多种横截面
- 机械接口:平面型
- 集成式压电检测器层
- 特殊高/低温版本
- 超高真空兼容版本可用于真空高达10-9 百帕
- 无磁性版本
- 超级严苛的长度公差
应用领域
工业和科研。用于光学、精密机械和加工、激光调谐
规格
|
|
|
|
|
|
|
|
|
|
|---|---|---|---|---|---|---|---|---|
|
|
|
|
|
|
|
|
|
|
|
P-010.00H |
5 |
10 |
5 |
7 |
1200 |
230 |
15 |
144 |
|
P-010.10H |
15 |
10 |
5 |
15 |
1700 |
110 |
40 |
67 |
|
P-010.20H |
30 |
10 |
5 |
27 |
1800 |
59 |
82 |
39 |
|
P-010.40H |
60 |
10 |
5 |
54 |
1800 |
29 |
180 |
21 |
|
P-016.00H |
5 |
16 |
8 |
7 |
2900 |
580 |
42 |
144 |
|
P-016.10H |
15 |
16 |
8 |
15 |
4100 |
270 |
120 |
67 |
|
P-016.20H |
30 |
16 |
8 |
27 |
4500 |
150 |
230 |
39 |
|
P-016.40H |
60 |
16 |
8 |
52 |
4700 |
78 |
490 |
21 |
|
P-025.10H |
15 |
25 |
16 |
16 |
7400 |
490 |
220 |
63 |
|
P-025.20H |
30 |
25 |
16 |
27 |
8700 |
290 |
430 |
39 |
|
P-025.40H |
60 |
25 |
16 |
51 |
9000 |
150 |
920 |
22 |
|
P-025.50H |
80 |
25 |
16 |
66 |
9600 |
120 |
1200 |
17 |
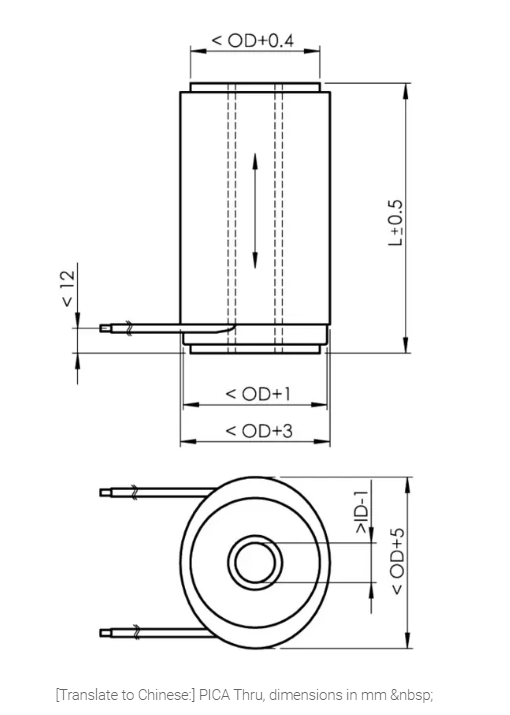
行程:0至1000伏时,公差为-10/20%。
长度L:公差为±0.5毫米。
闭锁力:0至1000伏时。
电容:公差为±20%,1伏峰峰、1千赫兹、室温下测量。
1伏下的谐振频率。峰峰、空载、夹钳松开。单侧夹紧时数值减半。
压电陶瓷类型:PIC151。
标准连接:聚全氟乙丙烯绝缘导线,100毫米,美国线规为24,直径为1.15毫米。
工作电压:0至1000伏。
工作温度范围:-20至85摄氏度。
标准机械接口:陶瓷环(无源压电陶瓷)。
外表面:聚烯烃收缩套管,黑色(外侧);环氧树脂(内侧)。
动态操作的推荐预载:15兆帕。
恒力的最大预载:30兆帕。
可按需提供定制设计或不同规格。
手机/微信:13242449659电话:0755-89355351 QQ:842471885 邮箱:842471885@qq.com