PI普爱 P-131 PIRest促动器
PI普爱 P-131 PIRest促动器 具有纳米分辨率和长期稳定性的有源垫片 长期稳定性,无需连续电源 对位于无法接近的位置上的机器进行轻松调整 避免耗时的手动调整过程 纳米分辨率和微米位移 每个促动器的负载能力高达4000牛 温度传感器 产品描述 应用领域 一劳永逸型应用 自适应机械部件 漂移补偿 光学部件的校准 精密机械部件 静态精密定位 计量/干涉测量 自动化配置使用户使用十分方便 重要工作参数存储在机械部件的ID芯片上,电控启动后可自动读出。 长期稳定定位,无需连续电源 移位后,带PIRest技术的控制器可保持位置稳定,无需连续的控制电压。即使在不可接近的位置上,纳米精度、便捷维护和价格实惠的调整也可实现。 规格 P-131.11 P-131.12 P-131.13 单位 公差 尺寸 外径 × 内径 × 长 22 × 8 × 7 22 × 8 × 17 22 × 8 × 32 毫米 标称行程* 2 5 10 微米 ±20 % 最小位移* <10 <10 <10 纳米 负载容量 4000 4000 4000 牛 最大 刚度...
分类:
货号:
P-131
描述
PI普爱 P-131 PIRest促动器
具有纳米分辨率和长期稳定性的有源垫片

- 长期稳定性,无需连续电源
- 对位于无法接近的位置上的机器进行轻松调整
- 避免耗时的手动调整过程
- 纳米分辨率和微米位移
- 每个促动器的负载能力高达4000牛
- 温度传感器
产品描述
应用领域
- 一劳永逸型应用
- 自适应机械部件
- 漂移补偿
- 光学部件的校准
- 精密机械部件
- 静态精密定位
- 计量/干涉测量
自动化配置使用户使用十分方便
重要工作参数存储在机械部件的ID芯片上,电控启动后可自动读出。
长期稳定定位,无需连续电源
移位后,带PIRest技术的控制器可保持位置稳定,无需连续的控制电压。即使在不可接近的位置上,纳米精度、便捷维护和价格实惠的调整也可实现。
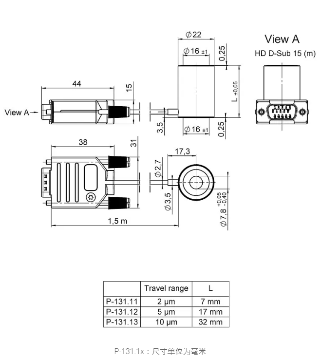
规格
|
P-131.11
|
P-131.12
|
P-131.13
|
单位
|
公差
|
---|---|---|---|---|---|
尺寸 外径 × 内径 × 长 |
22 × 8 × 7 |
22 × 8 × 17 |
22 × 8 × 32 |
毫米 |
|
标称行程* |
2 |
5 |
10 |
微米 |
±20 % |
最小位移* |
<10 |
<10 |
<10 |
纳米 |
|
负载容量 |
4000 |
4000 |
4000 |
牛 |
最大 |
刚度 |
1000 |
350 |
170 |
牛/微米 |
典型值 |
电容 |
3.4 |
10.2 |
20.4 |
微法 |
±20 % |
PIRest操作模式
|
|
|
|
|
|
主动调整的工作点 |
120 |
120 |
120 |
伏 |
最大 |
长期稳定位置的工作点 |
0 |
0 |
0 |
伏 |
|
其他
|
|
|
|
|
|
电缆长度 |
1.5 |
1.5 |
1.5 |
米 |
|
电压连接 |
HD Sub-D 15针(公头) |
HD Sub-D 15针(公头) |
HD Sub-D 15针(公头) |
|
|
ID芯片 |
是 |
是 |
是 |
|
|
温度传感器 |
是 |
是 |
是 |
|
|
工作温度范围 |
5 到 40 |
5 到 40 |
5 到 40 |
°C |
|
推荐电控 |
E-135 |
E-135 |
E-135 |
|
|
*室温下
可按需提供真空版本。
手机/微信:13242449659电话:0755-89355351 QQ:842471885 邮箱:842471885@qq.com