PI普爱 P-216.20 PICA Power压电陶瓷促动器
PI普爱 P-216.20 PICA Power压电陶瓷促动器
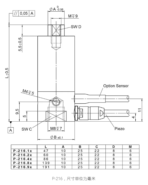
带传感器选项的预载压电陶瓷促动器(HVPZT)

- 行程达180微米
- 推力达4500牛
- 拉力达500牛
- 亚微秒级响应时间
- 亚纳米级分辨率
- 可选:适用于真空、高温
应用领域
- 有源减振器
- 自适应机械部件
- 精密机械部件/微型机械部件
- 光学
- 测量技术/干涉测量
- 自适应系统技术
- 切换
- 激光调谐
- 力的生成/材料检测
- 纳米技术
适用于复杂真空应用
压电陶瓷促动器无需润滑,不会造成磨损。用于真空达10-9百帕和极高或极低工作温度的版本可供货。
用于高负载的PICA Power压电陶瓷促动器
PICA Power高负载堆叠型促动器十分可靠,带大负载时可提供长行程。促动器适用于要求严苛的高温负载。
规格
|
P-216.10
|
P-216.20
|
P-216.40
|
P-216.80
|
P-216.90
|
单位
|
公差
|
---|---|---|---|---|---|---|---|
工作电压范围 |
0至1000 |
0 到 1000 |
0 到 1000 |
0 到 1000 |
0至1000 |
伏 |
|
运动和定位
|
|
|
|
|
|
|
|
行程,闭环* |
15 |
30 |
60 |
120 |
180 |
微米 |
|
分辨率,闭环*/** |
0.3 |
0.6 |
1.2 |
2.4 |
3.6 |
纳米 |
典型值 |
分辨率,开环** |
0.15 |
0.3 |
0.6 |
1.2 |
1.8 |
纳米 |
典型值 |
线性误差* |
0.2 |
0.2 |
0.2 |
0.2 |
0.2 |
% |
典型值 |
机械特性
|
|
|
|
|
|
|
|
运动方向上的静态大信号刚度*** |
210 |
140 |
80 |
50 |
32 |
牛/微米 |
±20 % |
谐振频率,空载 |
17 |
12 |
7 |
4.5 |
3 |
千赫兹 |
±20 % |
运动方向上的推/拉力 |
4500 / 500 |
4500 / 500 |
4500 / 500 |
4500 / 500 |
4500 / 500 |
牛 |
最大 |
切变负荷 |
60 |
36 |
23 |
23 |
23 |
牛 |
最大 |
尖端上的力矩 |
1 |
1 |
1 |
1 |
1 |
牛米 |
最大 |
驱动特性
|
|
|
|
|
|
|
|
压电陶瓷 |
PICA Power |
PICA Power |
PICA Power |
PICA Power |
PICA Power |
|
|
电容 |
130 |
250 |
500 |
1000 |
1500 |
毫微法 |
±20 % |
其他
|
|
|
|
|
|
|
|
工作温度范围 |
-40 到 80 |
-40 到 80 |
-40 到 80 |
-40 到 80 |
-40 到 80 |
°C |
|
包含电缆在内的质量 |
170 |
200 |
250 |
370 |
480 |
克 |
±5 % |
推荐电控 |
E-462、E-464、E-470 • E-472 • E-421、E-481、E-482、E-508 |
E-462、E-464、E-470 • E-472 • E-421、E-481、E-482、E-508 |
E-462、E-464、E-470 • E-472 • E-421、E-481、E-482、E-508 |
E-462、E-464、E-470 • E-472 • E-421、E-481、E-482、E-508 |
E-462、E-464、E-470 • E-472 • E-421、E-481、E-482、E-508 |
|
|
手机/微信:13242449659电话:0755-89355351 QQ:842471885 邮箱:842471885@qq.com