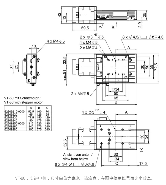
PI普爱 623092x0 VT-80线性平台
PI普爱 623092x0 VT-80线性平台
通用基本版本





- 行程为25至300毫米(1至12英寸)
- 低外形设计,同样适用于XY组合
- 最大速度达20毫米/秒
- 负载能力达5千克
- 提供适用于真空的变体
产品描述
标准级线性平台
再循环滚珠轴承和精密丝杠可实现平稳均匀的进给。应力消除铝基座可实现高稳定性。紧凑型XY组合。两个机械限位开关。
驱动器类型
电机轴上带旋转编码器的闭环直流电机
2相步进电机可实现高转矩(即使低速时)和高分辨率
应用领域
定位工业和科研中的低占空比任务。
规格
|
运动和定位 |
623091x0 |
623092x0 |
单位 |
公差 |
|---|---|---|---|---|
|
|
带直流电机和旋转编码器的线性平台 |
带步进电机的线性平台 |
|
|
|
运动轴 |
X |
X |
|
|
|
行程 |
25 / 50 / 75 / 100 / 150 / 200 / 300 |
25 / 50 / 75 / 100 / 150 / 200 / 300 |
毫米 |
|
|
集成传感器 |
旋转编码器,增量式 |
– |
|
|
|
设计分辨率 |
0.5 |
5(全步) |
微米 |
|
|
传感器分辨率 |
2000 |
– |
步/圈 |
|
|
最小位移 |
0.5 |
0.2 |
微米 |
典型值 |
|
单向重复精度 |
0.8 |
0.4 |
微米 |
典型值 |
|
双向重复精度 |
±10 |
±10 |
微米 |
典型值 |
|
俯仰角 |
±100 / ±110 / ±120 / ±130 / ±150 / ±170 / ±210 |
±100 / ±110 / ±120 / ±130 / ±150 / ±170 / ±210 |
微弧度 |
典型值 |
|
偏转角 |
±150 |
±150 |
微弧度 |
典型值 |
|
直线度/平面度 |
±8 / ±10 / ±11 / ±12 / ±14 / ±20 / ±35 |
±8 / ±10 / ±11 / ±12 / ±14 / ±20 / ±35 |
微米 |
|
|
最大速度 |
20 |
20 |
毫米/秒 |
|
|
其他 |
623091x0 |
623092x0 |
单位 |
公差 |
|---|---|---|---|---|
|
工作温度范围 |
5至40 |
5至40 |
摄氏度 |
|
|
材料 |
阳极氧化铝 |
阳极氧化铝 |
|
|
|
质量 |
0.55 / 0.65 / 0.7 / 0.75 / 0.85 / 0.95 / 1.25 |
0.55 / 0.65 / 0.7 / 0.75 / 0.85 / 0.95 / 1.25 |
千克 |
±5 % |
|
移动质量 |
0.13 / 0.14 / 0.14 / 0.15 / 0.15 / 0.15 / 0.15 |
0.16 / 0.16 / 0.17 / 0.17 / 0.17 / 0.18 / 0.18 |
千克 |
±5 % |
|
连接器 |
HD D-sub 15(公头) |
HD D-sub 15(公头) |
|
|
|
推荐控制器 |
C-863单轴 C-884(多达6轴) 带C-863.20C885的C-885(多达40轴) ACS模块化控制器 |
C-663.12单轴 SMC Hydra(双轴) 带C-663.12C885的C-885(多达20轴) ACS模块化控制器 |
|
|
手机/微信:13242449659电话:0755-89355351 QQ:842471885 邮箱:842471885@qq.com